MEg39.1 pokročilý kvalitní monitor elektrické energie

| Kategorie: Leták / Datasheet  | Tento dokument chci!

Vydal: MEgA - Měřící Energetické Aparáty, a.s.

Strana 22 z 60







Poznámky redaktora
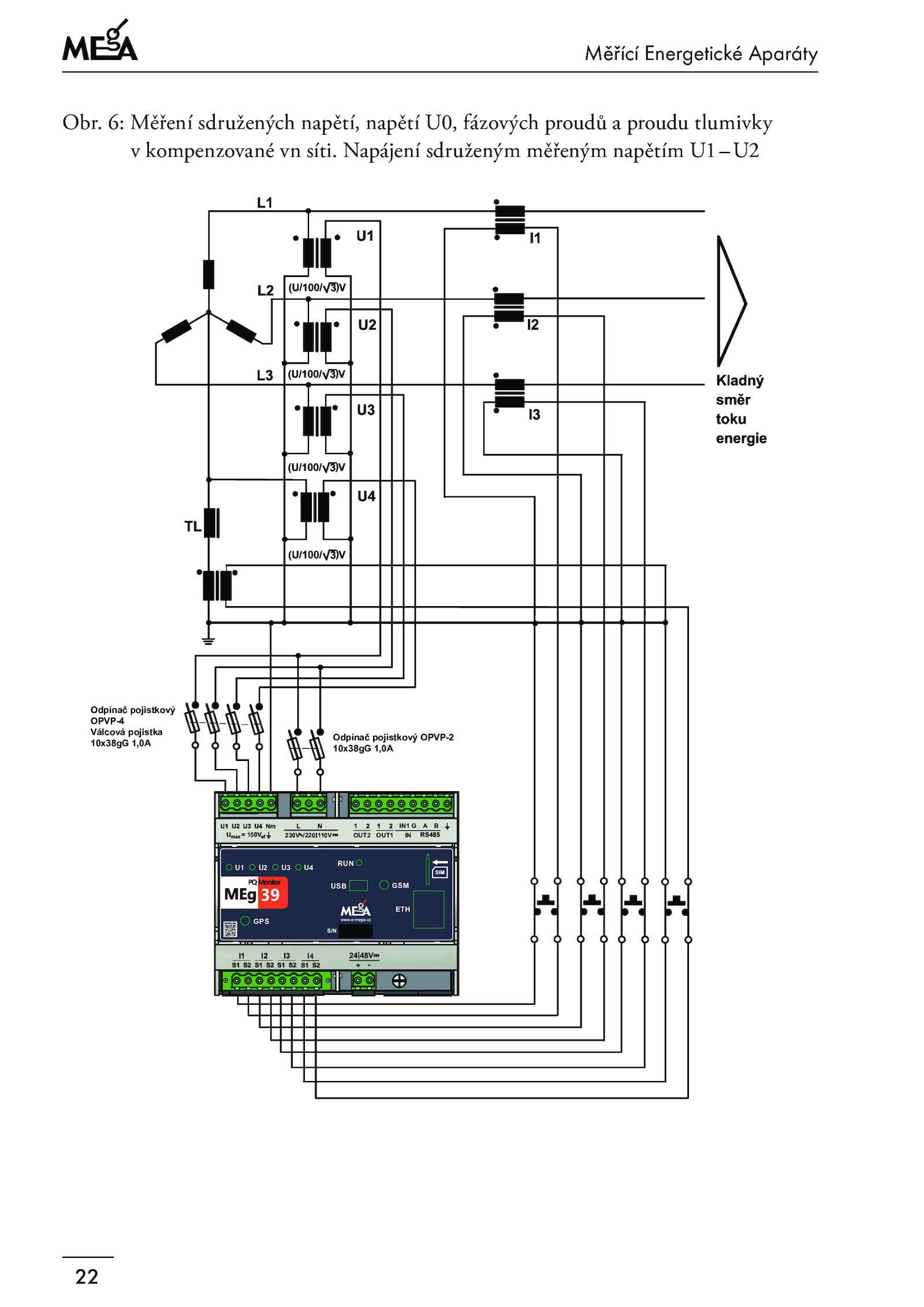
Měřící Energetické Aparáty 22 Obr. Napájení sdruženým měřeným napětím U1–U2 1 B U1 U3 RUN GSM USB ETH GPS IN 39 U4 24/48V 4 RS485 U1 N 230V 220/110V OUT U 150V max ef 1 B U1 U3 RUN GSM USB ETH GPS IN 39 U4 24/48V 4 RS485 U1 N 230V 220/110V OUT U 300V max ef 1 B U1 U3 RUN GSM USB ETH GPS IN 39 U4 24/48V 4 RS485 U1 N 230V 220/110V OUT U 150V max ef Nm RS485 AUX 1 2 U1 U3 RUN GSM USB ETH GPS IN 1 B U1 U3 RUN GSM USB ETH GPS IN 39 U4 24 48V 4 RS485 U1 N 230V 220/110V OUT U 300V max ef U1 U4 39 OUT2 OUT1 IN1 B IN 230V /220 110V 1 B U1 U3 RUN GSM USB ETH GPS IN 39 U4 24/48V 4 RS485 U1 N 230V 220/110V OUT U 150V max ef Nm RS485 AUX 1 2 U1 U3 RUN GSM USB ETH GPS IN 1 B U1 U3 RUN GSM USB ETH GPS IN 39 U4 24 48V 4 RS485 U1 N 230V 220/110V OUT U 300V max ef U1 U4 39 OUT2 OUT1 IN1 B IN 230V /220 110V U1 U3 RUN GSM USB ETH GPS U1 U3 RUN GSM USB ETH GPS 39 U4 Odpínač pojistkový OPVP-2 10x38gG 1,0A Odpínač pojistkový OPVP-4 Válcová pojistka 10x38gG 1,0A 15 . Měření sdružených napětí, napětí U0, fázových proudů proudu tlumivky v kompenzované síti