ZPRAVODAJSTVÍ
TELEVIZE
DISKUSE
DOKUMENTY
O NÁS
KONTAKTY
Vyhledat
Pouze v této knize
Přihlásit se
Přehled podle firmy
Přehled podle obsahu
ÚNMZ - Věstník 2016 mimořádný z dubna
| Kategorie:
Firemní tiskovina
|
Tento dokument chci!
Vydal:
Úřad pro technickou normalizaci, metrologii a státní zkušebnictví
Strana
20
z 33
« Předchozí
1
2
3
4
5
6
7
8
9
10
11
12
13
14
15
16
17
18
19
20
21
22
23
24
25
26
27
28
29
30
31
32
33
Další »
«
»
« Předchozí
Další »
Zobrazení indexu knihy
Jak získat tento dokument?
Poznámky redaktora
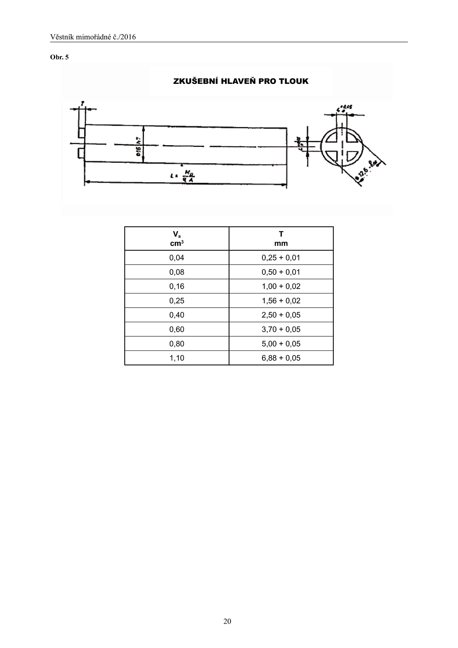
Věstník mimořádné č. 5 Va cm3 T mm 0,04 0,25 0,01 0,08 0,50 0,01 0,16 1,00 0,02 0,25 1,56 0,02 0,40 2,50 0,05 0,60 3,70 0,05 0,80 5,00 0,05 1,10 6,88 0,05 Zkušební hlaveň pro tlouk ./2016 20 Obr