ABB Retrofity vzduchových jističů nn (EN)

| Kategorie: Firemní tiskovina  | Tento dokument chci!

Vydal: ABB s.r.o, ELSYNN Autor: ABB ELSYnn

Strana 34 z 148







Poznámky redaktora
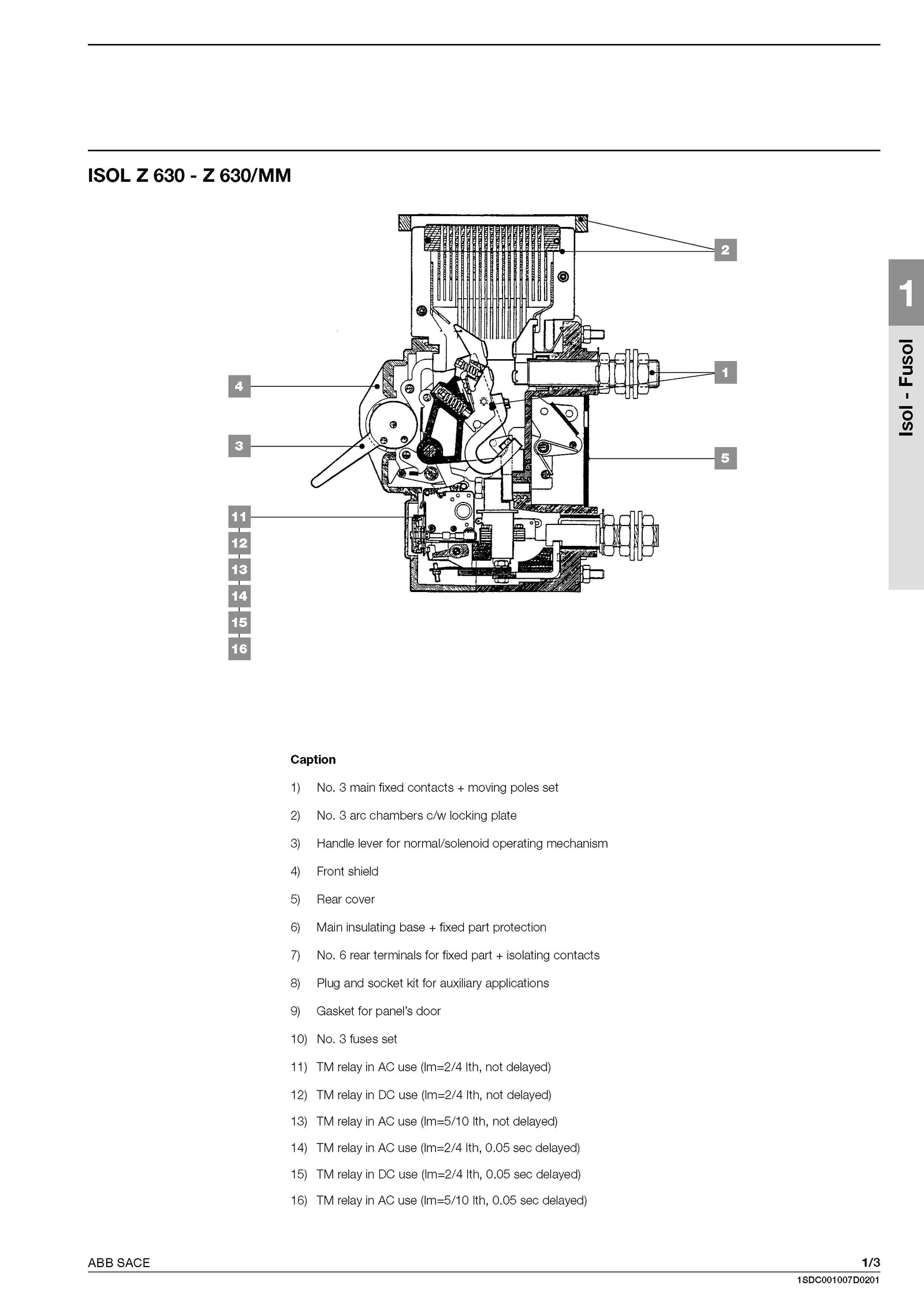
ISOL 630 630/MM Caption 1) No. rear terminals for fixed part isolating contacts 8) Plug and socket kit for auxiliary applications 9) Gasket for panel's door 10) No.05 sec delayed) 16) relay use (Im=5/10 Ith, 0. arc chambers c/w locking plate 3) Handle lever for normal/solenoid operating mechanism 4) Front shield 5) Rear cover 6) Main insulating base fixed part protection 7) No. main fixed contacts moving poles set 2) No.05 sec delayed) ABB SACE ____________1/3 1SDC001007D0201 1 Isol-Fusol . fuses set 11) relay use(Im=2/4Ith, not delayed) 12) relay use(Im=2/4 Ith, not delayed) 13) relay use (Im=5/10 Ith, not delayed) 14) relay use(Im=2/4Ith, 0.05 sec delayed) 15) relay use(Im=2/4 Ith, 0