ZPRAVODAJSTVÍ
TELEVIZE
DISKUSE
DOKUMENTY
O NÁS
KONTAKTY
Vyhledat
Pouze v této knize
Přihlásit se
Přehled podle firmy
Přehled podle obsahu
Uživatelský návod k vícevstupému PQ monitoru MEg74
| Kategorie:
Návody k obsluze
Montážní návody
|
Tento dokument chci!
Vydal:
MEgA - Měřící Energetické Aparáty, a.s.
Strana
24
z 64
« Předchozí
1
10
20
30
40
50
60
64
Další »
«
»
« Předchozí
Další »
Zobrazení indexu knihy
Jak získat tento dokument?
Objednat bezplatné zaslání AKTUÁLNÍ elektronické verze katalogu PQ monitorů MegA zde!
Poznámky redaktora
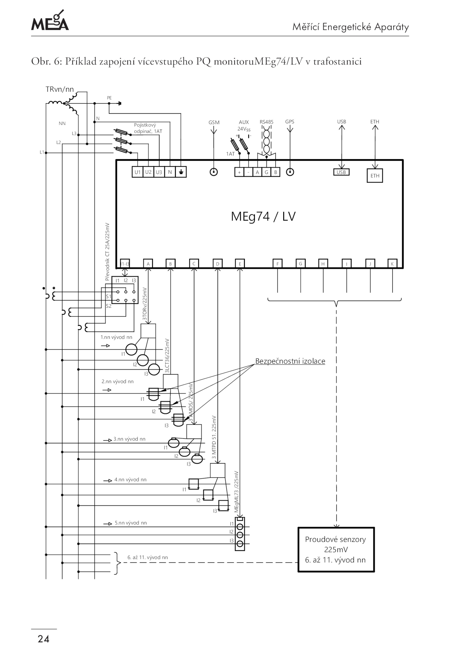
nn vývod nn I1 I2 I3 MEgML73 /225mV 5. vývod nn Proudové senzory 225mV 6.nn vývod nn I1 I2 I3 2. 11.nn vývod I1 I2 I3 6.nn vývod nn 3LCT36/225mV Bezpečnostní izolace 3 AMOS/ 225mV 3.nn vývod nn I1 I2 I3 3 MTPD 51. 11.6: Příklad zapojení více vstupového monitoruMEg74/LV trafostanici + - PE N L3 L2 L1 Pojistkový odpínač, 1AT NN TRvn/nn Převodník CT 25A/225mV I1 I3 S2 S1 3TORv/225mV I1 I2 I3 1. 225mV 4. vývod nn USB ETH AUX 1AT . Příklad zapojení vícevstupého monitoruMEg74/LV trafostanici U1 USB ETH I1-I3 K GSM 24V GPS MEg74 LV RS485 ss A Obr.Měřící Energetické Aparáty 24 Obr