ZPRAVODAJSTVÍ
TELEVIZE
DISKUSE
DOKUMENTY
O NÁS
KONTAKTY
Vyhledat
Pouze v této knize
Přihlásit se
Přehled podle firmy
Přehled podle obsahu
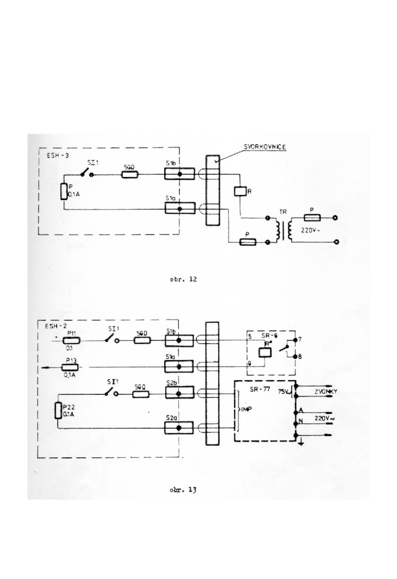
Elektronické hlavní signální hodiny Pragotron
| Kategorie:
Leták / Datasheet
|
Vydal:
Neurčeno
Strana
16
z 21
« Předchozí
1
2
3
4
5
6
7
8
9
10
11
12
13
14
15
16
17
18
19
20
21
Další »
«
»
« Předchozí
Další »
Zobrazení indexu knihy
Jak získat tento dokument?
Poznámky redaktora