Hlavní Katalog LOVATO 2024-25

| Kategorie: Katalog  | Tento dokument chci!

Vydal: LOVATO Electric s.r.o.

Strana 629 z 841







Poznámky redaktora
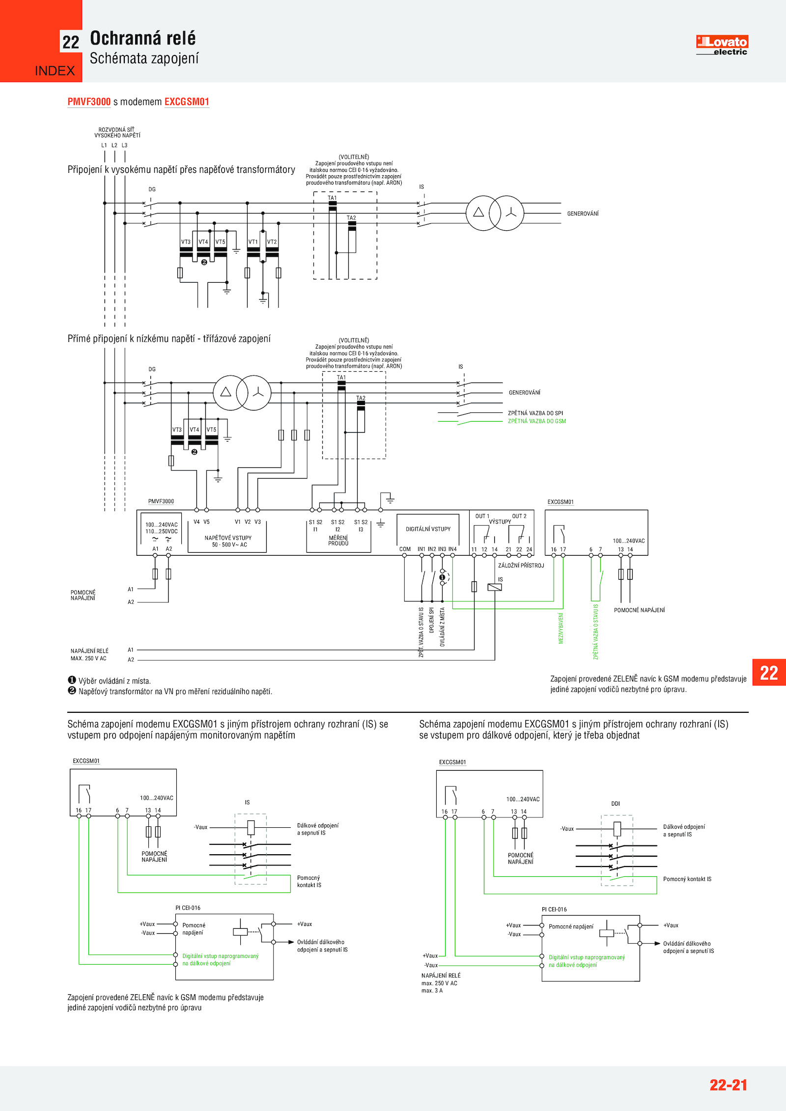
27VAC 9..250VDC 12. VAZBA O STAVU IS DPOJENÍ SPI OVLÁDÁNÍ Z MÍSTA Přímé připojení nízkému napětí třífázové zapojení Připojení vysokému napětí přes napěťové transformátory Výběr ovládání místa. ARON) ZPĚTNÁ VAZBA O STAVU IS ZPĚTNÁ VAZBA O STAVU IS ODPOJENÍ SPI OVLÁDÁNÍ Z MÍSTA MEZIVYBAVENÍ 9. Provádět pouze prostřednictvím zapojení proudového transformátoru (např.. 250V AC MĚŘENÍ PROUDŮ NAPĚŤOVÉ VSTUPY 50 500 AC ZPĚT...400VAC 110. 250V AC max.5. † Napěťový transformátor pro měření reziduálního napětí.27VAC 9..240VAC POMOCNÉ NAPÁJENÍ +Vaux +Vaux -Vaux -Vaux +Vaux -Vaux NAPÁJENÍ RELÉ max... Provádět pouze prostřednictvím zapojení proudového transformátoru (např. 250V AC A1 A2 VÝSTUPY OUT OUT OUT OUT 4 VÝSTUPY AUTOMATICKÉ OPĚTOVNÉ SEPNUTÍ PROGRAMOVATELNÝ ALARM ❸ ❷ (VOLITELNÝ EXP1003) PMVFGSM1 A1 A2 - -- + 100.240VAC POMOCNÉ NAPÁJENÍ +Vaux +Vaux -Vaux -Vaux DDI PI CEI-016 Pomocné napájení Ovládání dálkového odpojení sepnutí IS Dálkové odpojení a sepnutí IS Pomocný kontakt IS Digitální vstup naprogramovaný na dálkové odpojení EXCGSM01 100.....240VAC POMOCNÉ NAPÁJENÍ +Vaux +Vaux -Vaux -Vaux DDI PI CEI-016 Pomocné napájení Ovládání dálkového odpojení sepnutí IS Dálkové odpojení a sepnutí IS Pomocný kontakt IS Digitální vstup naprogramovaný na dálkové odpojení EXCGSM01 100...... ARON) ZPĚTNÁ VAZBA O STAVU IS ZPĚTNÁ VAZBA O STAVU IS ODPOJENÍ SPI OVLÁDÁNÍ Z MÍSTA MEZIVYBAVENÍ 9... Provádět pouze prostřednictvím zapojení proudového transformátoru (např.240VAC 110.250VDC PMVF3000 GENEROVÁNÍ ROZVODNÁ SÍŤ VYSOKÉHO NAPĚTÍ GENEROVÁNÍ ZPĚTNÁ VAZBA SPI ZPĚTNÁ VAZBA GSM POMOCNÉ NAPÁJENÍ (VOLITELNĚ) Zapojení proudového vstupu není italskou normou CEI 0-16 vyžadováno..5..48VDC❶ NAPĚŤOVÉ VSTUPY 50 500 AC (VOLITELNĚ) Zapojení proudového vstupu není italskou normou CEI 0-16 vyžadováno. ARON) (VOLITELNĚ) Zapojení proudového vstupu není italskou normou CEI 0-16 vyžadováno.5....250VDC 12.. 250V AC A1 A2 VÝSTUPY OUT OUT OUT OUT 4 VÝSTUPY AUTOMATICKÉ OPĚTOVNÉ SEPNUTÍ PROGRAMOVATELNÝ ALARM ❸ ❷ (VOLITELNÝ EXP1003) PMVFGSM1 A1 A2 - -- + 100....48VDC❶ NAPĚŤOVÉ VSTUPY 50 500 AC (VOLITELNĚ) Zapojení proudového vstupu není italskou normou CEI 0-16 vyžadováno...240VAC POMOCNÉ NAPÁJENÍ +Vaux +Vaux -Vaux -Vaux +Vaux -Vaux NAPÁJENÍ RELÉ max.400VAC 110.. PMVF3000 modemem EXCGSM01 I1 CT1 V2 V1 V4 S1 I3 I2 MĚŘENÍ PROUDU S2 S2 S2 CT2 GENEROVÁNÍ ZPĚTNÁ VAZBA SPI ZPĚTNÁ VAZBA GSM 11 COM IN1 IN2 IN3 IN4 DIGITÁLNÍ VSTUPY DDI PMVF30 11 24 V5 TV3 TV4 TV5 DG L1 L3 ROZVODNÁ SÍŤ VYSOKÉHO NAPĚTÍ ZÁLOŽNÍ PŘÍSTROJ DDI POMOCNÉ NAPÁJENÍ A1 A2 NAPÁJENÍ RELÉ MAX.22 22-21 Ochranná relé Schémata zapojení 22 TA1 L1 TA2 IS L2 L3 VT1 VT2 DG VT3 VT4 VT5 ❷ I1 TA1 V2 V1 V4 S1 I3 I2 S2 S2 S2 TA2 11 14 21 24 COM IN1 IN2 IN3 IN4 DIGITÁLNÍ VSTUPY IS V5 VT3 VT4 VT5 DG ZÁLOŽNÍ PŘÍSTROJ IS A1 A2 A1 A2 VÝSTUPY OUT OUT 2 ❷ ❶ EXCGSM01 A1 A2 - -- + ZPĚTNÁ VAZBA O STAVU IS MEZIVYBAVENÍ 100. 3A 16 14 16 14 16 14 I1 CT1 V2 V1 V4 S1 I3 I2 MĚŘENÍ PROUDU S2 S2 S2 CT2 GENEROVÁNÍ ZPĚTNÁ VAZBA SPI ZPĚTNÁ VAZBA GSM 11 COM IN1 IN2 IN3 IN4 DIGITÁLNÍ VSTUPY DDI PMVF30 11 24 V5 TV3 TV4 TV5 DG L1 L3 ROZVODNÁ SÍŤ VYSOKÉHO NAPĚTÍ ZÁLOŽNÍ PŘÍSTROJ DDI POMOCNÉ NAPÁJENÍ A1 A2 NAPÁJENÍ RELÉ MAX. 250V AC max.. 3A 16 14 16 14 16 14 Zapojení provedené ZELENĚ navíc GSM modemu představuje jediné zapojení vodičů nezbytné pro úpravu Schéma zapojení modemu EXCGSM01 jiným přístrojem ochrany rozhraní (IS) se vstupem pro odpojení napájeným monitorovaným napětím Schéma zapojení modemu EXCGSM01 jiným přístrojem ochrany rozhraní (IS) se vstupem pro dálkové odpojení, který třeba objednat Zapojení provedené ZELENĚ navíc GSM modemu představuje jediné zapojení vodičů nezbytné pro úpravu.35VDC POMOCNÉ NAPÁJENÍ IS PI CEI-016 Pomocné napájení Ovládání dálkového odpojení sepnutí IS Dálkové odpojení a sepnutí IS Pomocný kontakt IS Digitální vstup naprogramovaný na dálkové odpojení EXCGSM01 100. ARON) NAPÁJENÍ RELÉ MAX.240VAC POMOCNÉ NAPÁJENÍ 100. INDEX .. Provádět pouze prostřednictvím zapojení proudového transformátoru (např.5...35VDC POMOCNÉ NAPÁJENÍ IS PI CEI-016 Pomocné napájení Ovládání dálkového odpojení sepnutí IS Dálkové odpojení a sepnutí IS Pomocný kontakt IS Digitální vstup naprogramovaný na dálkové odpojení EXCGSM01 100