ZPRAVODAJSTVÍ
TELEVIZE
DISKUSE
DOKUMENTY
O NÁS
KONTAKTY
Vyhledat
Pouze v této knize
Přihlásit se
Přehled podle firmy
Přehled podle obsahu
Hlavní Katalog LOVATO 2024-25
| Kategorie:
Katalog
|
Tento dokument chci!
Vydal:
LOVATO Electric s.r.o.
Strana
358
z 841
« Předchozí
1
10
20
30
40
50
60
70
80
90
100
110
120
130
140
150
160
170
180
190
200
210
220
230
240
250
260
270
280
290
300
310
320
330
340
350
360
370
380
390
400
410
420
430
440
450
460
470
480
490
500
510
520
530
540
550
560
570
580
590
600
610
620
630
640
650
660
670
680
690
700
710
720
730
740
750
760
770
780
790
800
810
820
830
840
841
Další »
«
»
« Předchozí
Další »
Zobrazení indexu knihy
Jak získat tento dokument?
Objednat bezplatné zaslání AKTUÁLNÍ elektronické verze katalogu LOVATO zde!
Poznámky redaktora
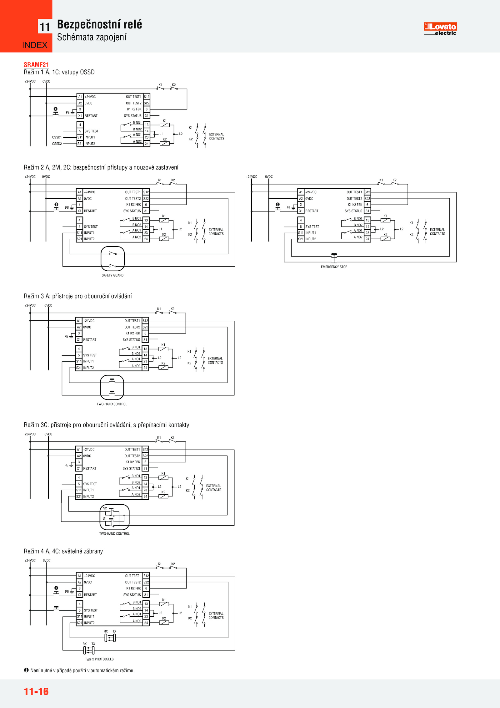
+24VDC 0VDC +24VDC 0VDC RESTART Type PHOTOCELLS PE OUT TEST1 OUT TEST2 K1 FBK SYS STATUS SYS TEST INPUT1 INPUT2 EXTERNAL CONTACTS K1 K1 K2 L2 K1 K2 K2 L2 TX RX TX RX A NO1 B NO1 A NO2 B NO2 A1 A2 3 X1 4 5 S11 S21 S12 S22 6 31 13 14 23 24 +24VDC 0VDC +24VDC 0VDC RESTART EMERGENCY STOP PE OUT TEST1 OUT TEST2 K1 FBK SYS STATUS SYS TEST INPUT1 INPUT2 EXTERNAL CONTACTS K1 K1 K2 L2 K1 K2 K2 L2 A NO1 B NO1 A NO2 B NO2 A1 A2 3 X1 4 5 S11 S21 S12 S22 6 31 13 14 23 24 INDEX .11-16 Bezpečnostní relé Schémata zapojení 11 SRAMF21 Režim 1C: vstupy OSSD +24VDC 0VDC A1 A2 3 X1 4 5 S11 S21 +24VDC 0VDC RESTART PE OUT TEST1 OUT TEST2 K1 FBK SYS STATUS SYS TEST INPUT1 OSSD1 OSSD2 INPUT2 S12 S22 6 31 13 14 EXTERNAL CONTACTS K1 A NO1 B NO1 A NO2 B NO2 K1 K2 L2 K1 K2 K2 23 24 L1 Režim 2M, 2C: bezpečnostní přístupy nouzové zastavení +24VDC 0VDC +24VDC 0VDC RESTART SAFETY GUARD PE OUT TEST1 OUT TEST2 K1 FBK SYS STATUS SYS TEST INPUT1 INPUT2 EXTERNAL CONTACTS K1 K1 K2 L2 K1 K2 K2 L1 A NO1 B NO1 A NO2 B NO2 A1 A2 3 X1 4 5 S11 S21 S12 S22 6 31 13 14 23 24 Režim přístroje pro obouruční ovládání +24VDC 0VDC +24VDC 0VDC RESTART TWO-HAND CONTROL PE OUT TEST1 OUT TEST2 K1 FBK SYS STATUS SYS TEST INPUT1 INPUT2 EXTERNAL CONTACTS K1 K1 K2 L2 K1 K2 K2 L2 A NO1 B NO1 A NO2 B NO2 A1 A2 3 X1 4 5 S11 S21 S12 S22 6 31 13 14 23 24 Režim 3C: přístroje pro obouruční ovládání, přepínacími kontakty +24VDC 0VDC +24VDC 0VDC RESTART PE OUT TEST1 OUT TEST2 K1 FBK SYS STATUS SYS TEST INPUT1 INPUT2 EXTERNAL CONTACTS K1 K1 K2 L2 K1 K2 K2 L2 A NO1 B NO1 A NO2 B NO2 S2 S1 TWO-HAND CONTROL A1 A2 3 X1 4 5 S11 S21 S12 S22 6 31 13 14 23 24 Režim 4C: světelné zábrany Není nutné případě použití automatickém režimu