Hlavní Katalog LOVATO 2024-25

| Kategorie: Katalog  | Tento dokument chci!

Vydal: LOVATO Electric s.r.o.

Strana 264 z 841







Poznámky redaktora
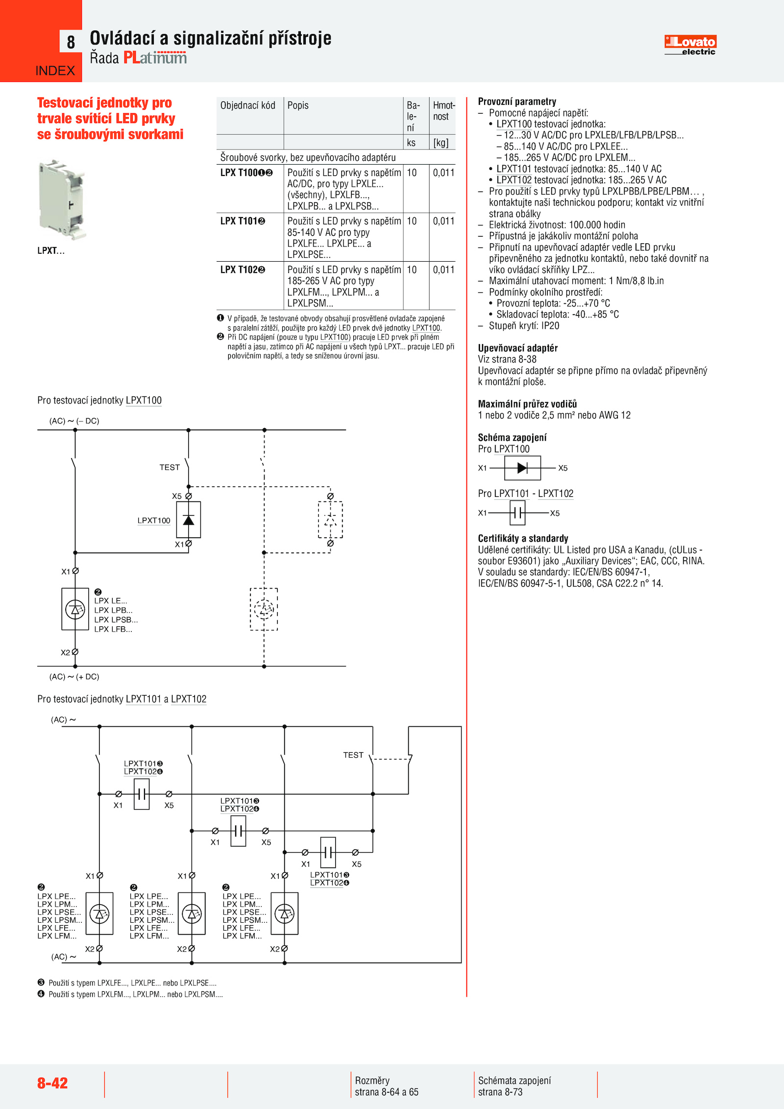
... X5 X1 X1 X5 Pro testovací jednotky LPXT100 TEST X5 X1 X2 X1 LPXT100 (AC) DC) (AC) DC) LPX LE.+70 °C • Skladovací teplota: -40. LPX LPSM.. LPX LFM... LPXLPE.. 10 0,011 V případě, testované obvody obsahují prosvětlené ovladače zapojené s paralelní zátěží, použijte pro každý LED prvek dvě jednotky LPXT100........ LPX LPM.... LPX LFM. X2 X1 (AC) ~ LPX LPE. INDEX .2 14.. (AC) ~ X2 X1 LPX LPE.. X2 X1 LPX LPE.265 AC – Pro použití LED prvky typů LPXLPBB/LPBE/LPBM… , kontaktujte naši technickou podporu; kontakt viz vnitřní strana obálky – Elektrická životnost: 100... X1 X5 LPXT101❸ LPXT102❹ LPXT101❸ LPXT102❹ LPXT101❸ LPXT102❹ X1 X5 X1 X5 TEST Objednací kód Popis Ba- le- ní Hmot- nost ks [kg] Šroubové svorky, bez upevňovacího adaptéru LPX T100 Použití LED prvky napětím AC/DC, pro typy LPXLE........ † Při napájení (pouze typu LPXT100) pracuje LED prvek při plném napětí jasu, zatímco při napájení všech typů LPXT., LPXLPM...... LPX LPB....000 hodin – Přípustná jakákoliv montážní poloha – Připnutí upevňovací adaptér vedle LED prvku připevněného jednotku kontaktů, nebo také dovnitř na víko ovládací skříňky LPZ.... LPX LFE. a LPXLPSE. – 85...... LPXLPSB.. a LPXLPSM.. nebo LPXLPSE.265 AC/DC pro LPXLEM...in – Podmínky okolního prostředí: • Provozní teplota: -25....., LPXLPE..... LPX LFE.8-42 Schémata zapojení strana 8-73 Rozměry strana 8-64 65 Ovládací signalizační přístroje Řada 8 Testovací jednotky pro trvale svítící LED prvky se šroubovými svorkami LPXT.140 AC/DC pro LPXLEE....... LPX LPSM. nebo LPXLPSM. – Maximální utahovací moment: Nm/8,8 lb. LPX LPSE., LPXLPM.140 AC • LPXT102 testovací jednotka: 185. (všechny), LPXLFB..... pracuje LED při polovičním napětí, tedy sníženou úrovní jasu.... LPX LPM.. ˆPoužití typem LPXLFM. • LPXT101 testovací jednotka: 85... LPX LPSM... Maximální průřez vodičů 1 nebo vodiče 2,5 mm² nebo AWG 12 Schéma zapojení Pro LPXT100 Pro LPXT101 LPXT102 Certifikáty standardy Udělené certifikáty: Listed pro USA Kanadu, (cULus - soubor E93601) jako „Auxiliary Devices“; EAC, CCC, RINA.... LPX LPSB....... LPX LPM.... Provozní parametry – Pomocné napájecí napětí: • LPXT100 testovací jednotka: ­ – 12.. 10 0,011 LPX T102† Použití LED prvky napětím 185-265 pro typy LPXLFM.+85 °C – Stupeň krytí: IP20 Upevňovací adaptér Viz strana 8-38 Upevňovací adaptér připne přímo ovladač připevněný k montážní ploše. LPX LPSE.. LPX LFB. LPX LFE.... LPX LFM..., LPXLPB..... V souladu standardy: IEC/EN/BS 60947-1, IEC/EN/BS 60947-5-1, UL508, CSA C22..30 AC/DC pro LPXLEB/LFB/LPB/LPSB... – 185.. LPX LPSE.. 10 0,011 LPX T101† Použití LED prvky napětím 85-140 pro typy LPXLFE... Pro testovací jednotky LPXT101 LPXT102 ‡Použití typem LPXLFE