ZPRAVODAJSTVÍ
TELEVIZE
DISKUSE
DOKUMENTY
O NÁS
KONTAKTY
Vyhledat
Pouze v této knize
Přihlásit se
Přehled podle firmy
Přehled podle obsahu
Hlavní Katalog LOVATO 2024-25
| Kategorie:
Katalog
|
Tento dokument chci!
Vydal:
LOVATO Electric s.r.o.
Strana
189
z 841
« Předchozí
1
10
20
30
40
50
60
70
80
90
100
110
120
130
140
150
160
170
180
190
200
210
220
230
240
250
260
270
280
290
300
310
320
330
340
350
360
370
380
390
400
410
420
430
440
450
460
470
480
490
500
510
520
530
540
550
560
570
580
590
600
610
620
630
640
650
660
670
680
690
700
710
720
730
740
750
760
770
780
790
800
810
820
830
840
841
Další »
«
»
« Předchozí
Další »
Zobrazení indexu knihy
Jak získat tento dokument?
Objednat bezplatné zaslání AKTUÁLNÍ elektronické verze katalogu LOVATO zde!
Poznámky redaktora
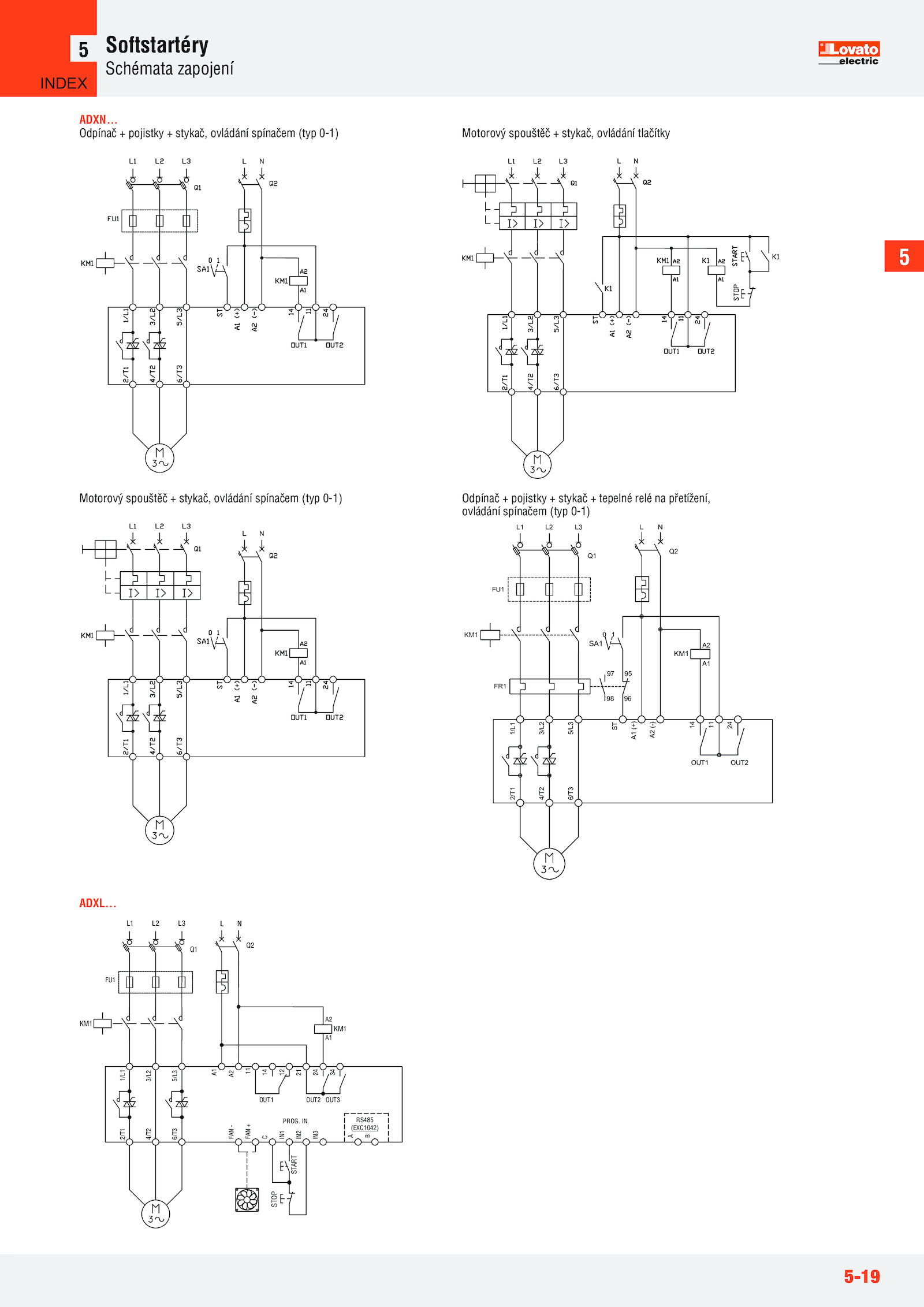
5 5-19 Softstartéry Schémata zapojení 5 ADXN. IN.. A B RS485 (EXC1042) START STOP L L Q2 N N KM1 A2 A1 KM1 OUT2 OUT3 ADXL. Odpínač pojistky stykač, ovládání spínačem (typ 0-1) Motorový spouštěč stykač, ovládání tlačítky Motorový spouštěč stykač, ovládání spínačem (typ 0-1) 2/T1 1/L1 4/T2 6/T3 3/L2 5/L3 ST FU1 L1 Q1 L2 L3 A1 (+) A2 (-) 14 11 24 OUT1 OUT2 SA1 1 0 L L Q2 N N CAPRA LUIGI LOVATO KM1 A1 A2 97 95 98 96 KM1 FR1 Odpínač pojistky stykač tepelné relé přetížení, ovládání spínačem (typ 0-1) INDEX ..2/T1 1/L1 4/T2 6/T3 3/L2 5/L3 A1 FU1 L1 Q1 L2 L3 OUT1 A2 11 14 12 21 24 34 FAN - FAN + C IN1 IN2 IN3 PROG..