ZPRAVODAJSTVÍ
TELEVIZE
DISKUSE
DOKUMENTY
O NÁS
KONTAKTY
Vyhledat
Pouze v této knize
Přihlásit se
Přehled podle firmy
Přehled podle obsahu
Hlavní Katalog LOVATO 2024-25
| Kategorie:
Katalog
|
Tento dokument chci!
Vydal:
LOVATO Electric s.r.o.
Strana
167
z 841
« Předchozí
1
10
20
30
40
50
60
70
80
90
100
110
120
130
140
150
160
170
180
190
200
210
220
230
240
250
260
270
280
290
300
310
320
330
340
350
360
370
380
390
400
410
420
430
440
450
460
470
480
490
500
510
520
530
540
550
560
570
580
590
600
610
620
630
640
650
660
670
680
690
700
710
720
730
740
750
760
770
780
790
800
810
820
830
840
841
Další »
«
»
« Předchozí
Další »
Zobrazení indexu knihy
Jak získat tento dokument?
Objednat bezplatné zaslání AKTUÁLNÍ elektronické verze katalogu LOVATO zde!
Poznámky redaktora
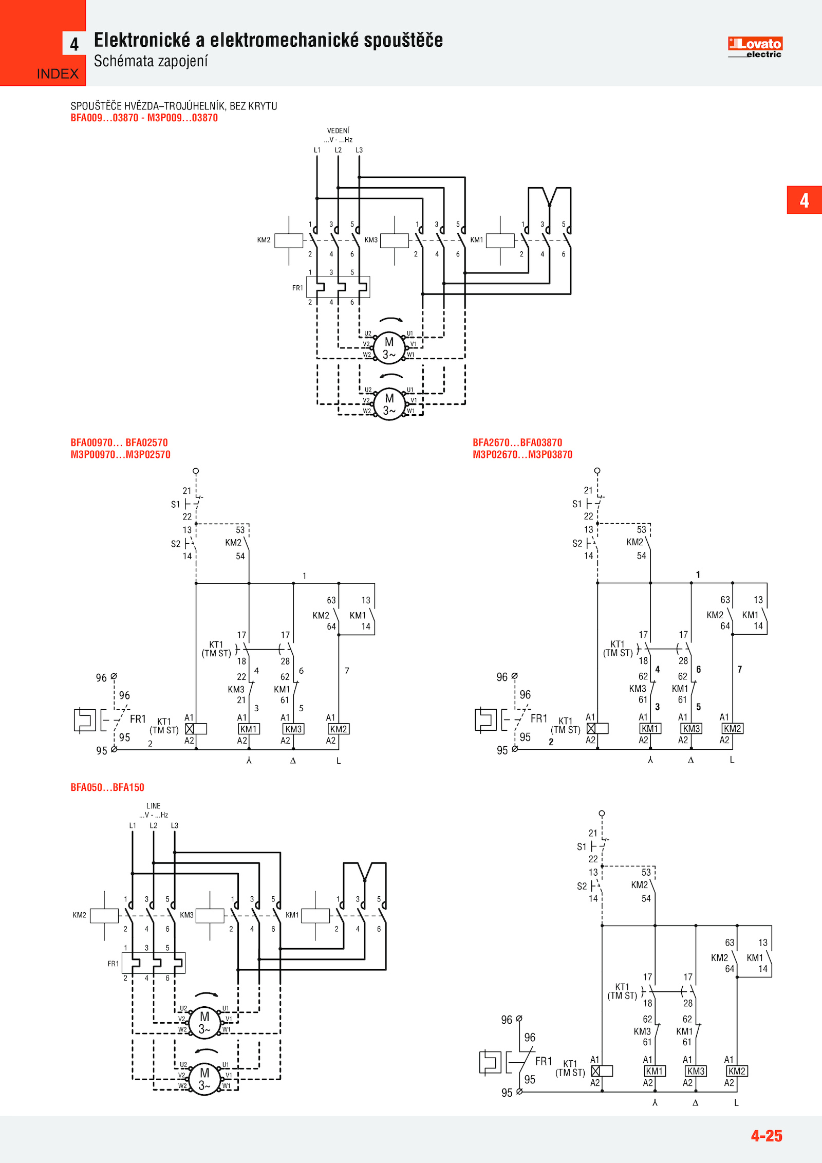
V .BFA03870 M3P02670. BFA02570 M3P00970.Hz U2 V2 W2 U1 V1 W1 M 3~ U2 V2 W2 U1 V1 W1 M 3~ DYF50.M3P03870 1 KM2 KM3 KM1 3 2 4 5 6 1 3 2 4 5 6 L1 1 L2 3 L3 5 2 6 1 5 2 6 FR1 VEDENÍ ..002570 21 22 13 14 53 54 63 64 17 18 22 21 62 61 A1 A2 A1 A2 A1 A2 A1 A2 17 1 2 3 4 5 6 7 28 13 14 KM2 S1 S2 KM2 KM3 KM1 KM1 KM1 KT1 (TM ST) KT1 (TM ST) KM3 KM2 FR1 96 95 96 95 L 1 KM2 KM3 KM1 3 2 4 5 6 1 3 2 4 5 6 L1 1 L2 3 L3 5 2 6 1 5 2 6 FR1 LINE ...Hz U2 V2 W2 U1 V1 W1 M 3~ BFA00970.DYF80 21 22 13 14 53 54 63 64 17 18 62 61 62 61 A1 A2 A1 A2 A1 A2 A1 A2 17 28 53 54 KM2 S1 S2 KM2 KM3 KM1 KM1 KM1 KT1 (TM ST) KT1 (TM ST) KM3 KM2 FR1 95 96 95 96 L 1 KM2 KM3 KM1 3 2 4 5 6 1 3 2 4 5 6 L1 1 L2 3 L3 5 2 6 1 5 2 6 FR1 LINE .V .V .M3P02570 BFA2670..4 4-25 Elektronické elektromechanické spouštěče Schémata zapojení 4 3 5 4 6 0970......002570 21 22 13 14 53 54 17 18 22 21 A1 A2 A1 A2 2 3 4 KM2 S1 S2 KM3 KM KM1 KT1 (TM ST) KT1 (TM ST) FR1 96 95 96 95 U2 V2 W2 U1 V1 W1 M 3~ BFA050.BFA150 1 KM2 KM3 KM1 3 2 4 5 6 1 3 2 4 5 6 L1 1 L2 3 L3 5 2 6 1 5 2 6 FR1 LINE ...03870 M3P009.Hz U2 V2 W2 U1 V1 W1 M 3~ U2 V2 W2 U1 V1 W1 M 3~ BFA03870 21 22 13 14 53 54 63 64 17 18 62 61 62 61 A1 A2 A1 A2 A1 A2 A1 A2 17 28 13 14 KM2 S1 S2 KM2 KM3 KM1 KM1 KM1 KT1 (TM ST) KT1 (TM ST) KM3 KM2 FR1 96 95 96 95 1 2 3 4 5 6 7 L SPOUŠTĚČE HVĚZDA–TROJÚHELNÍK, BEZ KRYTU BFA009...V ...............Hz U2 V2 W2 U1 V1 W1 M 3~ U2 V2 W2 U1 V1 W1 M 3~ BFA03870 21 22 13 14 53 54 63 64 17 18 62 61 62 61 A1 A2 A1 A2 A1 A2 A1 A2 17 28 13 14 KM2 S1 S2 KM2 KM3 KM1 KM1 KM1 KT1 (TM ST) KT1 (TM ST) KM3 KM2 FR1 96 95 96 95 L INDEX .........03870 BFA00970.